   (+86)-15659131976   
English

loading

Share to:
facebook sharing button
twitter sharing button
line sharing button
wechat sharing button
linkedin sharing button
pinterest sharing button
whatsapp sharing button
sharethis sharing button

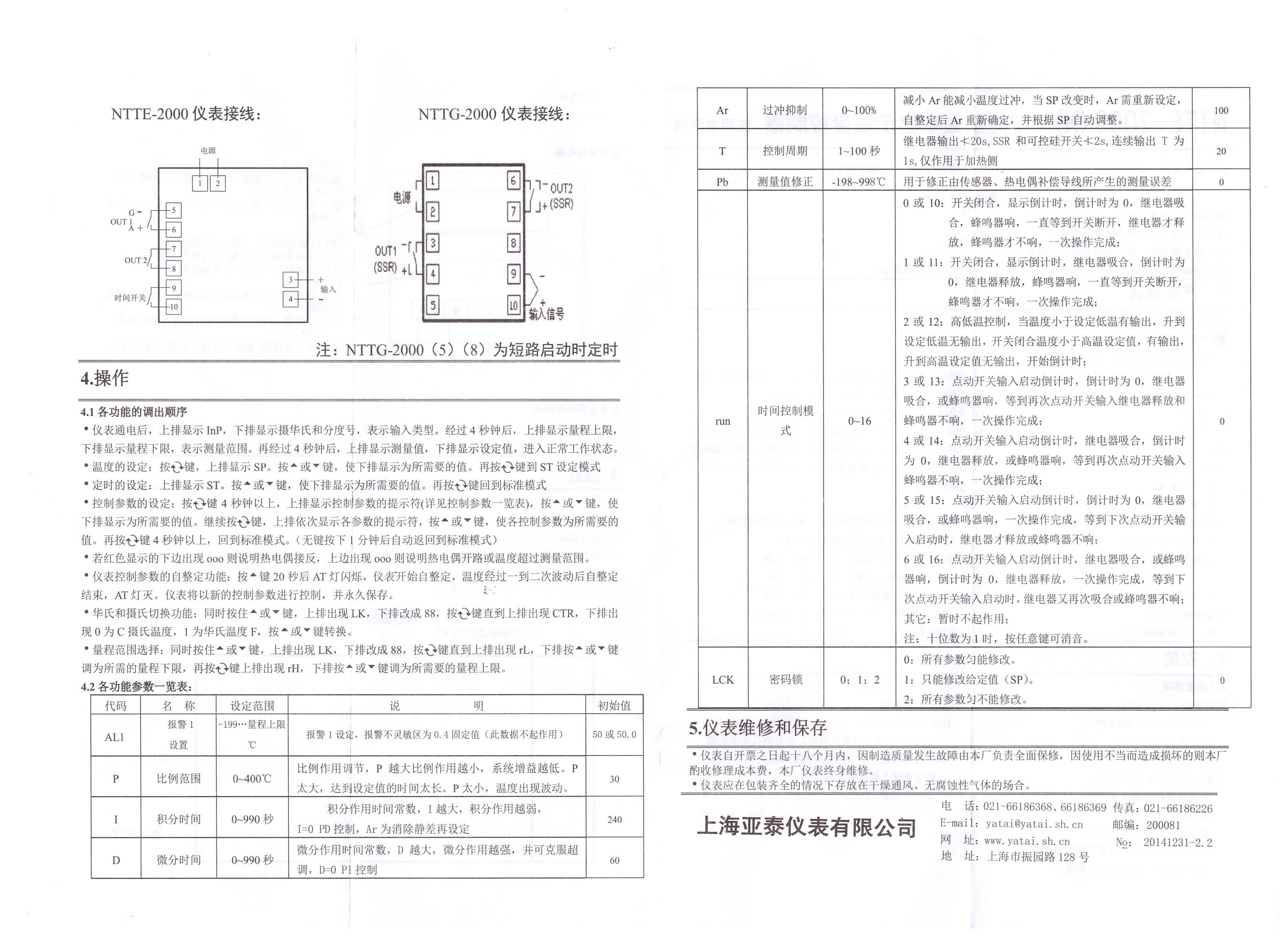
AISET YLE2001 Controller NTTE 2421

Price:
Model:
SKU:
Availability:
Quantity:
  • 2421

  • AIDARY

Key   words AISET YLE2001 Controller NTTE 2421
Uage using for heat press
Temp C OR F
Hole 72*72mm

Yle 2421 (3)Yle 2421 (1)

shipping 拷贝shipping price term

Previous: 
Next: